Chien Hsin

  • 首頁
  • 關於錚鑫
  • 營業項目及實績
  • 產品介紹
  • 技術手冊
  • 客戶留言板
  • 聯絡我們

SEARCH

首頁產品介紹

產品介紹

搜尋條件 :
搜尋結果 : 共有0筆資料產生
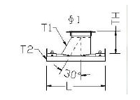
  • 馬鞍座
      ∮1 ∮2 TH L T1 T2
    Article No. Diameter Diameter Height Length Thickness Thickness
      mm mm mm mm mm mm
    BT-0100 100 350∮~N 125 310 0.8 3
    BT-0150 150 400∮~N 360 0.8
    BT-0200 200 400∮~N 410 0.8
    BT-0250 250 450∮~N 460 0.8
    BT-0300 300 500∮~N 510 0.8
    BT-0350 350     0.8
    BT-0400 400     0.8
    BT-0450 450     0.8
    BT-0500 500     1
    BT-0550 550     1
    BT-0600 600   150   1
    BT-0650 650     1
    BT-0700 700     1
    BT-0750 750     1
    BT-0800 800     1
    BT-0850 850       1
    BT-0900 900     1
    BT-0950 950     1
    BT-1000 1000     1
    BT-1050 1050     1.2
    BT-1100 1100     1.2
    BT-1150 1150     1.2
    BT-1200 1200     1.2
    BT-1250 1250     1.2
    BT-1300 1300     1.2
    BT-1350 1350     1.2
    BT-1400 1400     1.2
    BT-1450 1450     1.2
    BT-1500 1500     1.2
    BT-1550 1550     1.2
    BT-1600 1600     1.2
    BT-1650 1650     1.2
    BT-1700 1700     1.5
    BT-1750 1750     1.5
    BT-1800 1800     1.5
    BT-1850 1850     1.5
    BT-1900 1900     1.5
    BT-1950 1950     1.5
    BT-2000 2000     1.5
Chien Hsin
  • 關於錚鑫
  • 營業項目及實績
  • 產品介紹
  • 技術手冊
  • 客戶留言板
  • 聯絡我們
  • 員工專區
  • 網站導覽

公司地址 : 新竹市中華路四段 500 號 TEL : 03-5388015 Fax : 03-5302033 Mail : SALES.HC@chien-hsin.com

中區營業處 : TEL : 04-25660225 Fax : 04-25660240 Mail : SALES.TC@chien-hsin.com

南區營業處 : TEL :06-5815822 Fax : 06-5815832 Mail : SALES.TN@chien-hsin.com